1.概述
MSOA 小尺寸数字输出石英挠性加速度传感器为单轴力矩反馈式数字化加速度计,其伺服电路内部集成了加速度信号变换电路,通过检测质量来检测外界的加速度信号,经伺服电路解调、放大、量化,最终输出数字信号正比于输入加速度信号。
2.可选装温度传感器
内置18B20温度传感器并接出,可选ZT590温度传感器
3.产品特色
|高精度,高稳定性
|数字输出
|小型化
4.技术指标


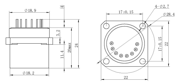
5.外形尺寸

地址:中国青岛市高新区名园路11号
电话1:15753258592
电话2:15753258592(微信同号)
邮箱:sales@qdzitn.com
传真:0532-58717257
