1. 产品介绍
LMP3系列高温电源,设计工作环境温度175℃,是专门针对高温作业环境开发的产品。主要应用领域石油勘测井下仪器、石油钻井井下仪器、地球物理探测仪。
2. 技术指标
l 工作环境温度:-55℃~+175℃,最高壳温:+185℃。
l 输入电压:10~20V,18~36V,36~72V,24V~100V,60~120V,100~200V;
l 输出电压:最多2路,3.3V, 5V, 9V, 12V, 15V,24V,36V;
l 输出功率: 3W(壳温185℃功率无降额);
l 输出精度:±2%;
l 负载调整率:2%;
l 交叉调整率:双路输出,典型±3%(主路50%带载,辅路10%-100%带载);
l 温度稳定性:±2%(-55℃~175℃);
l 线性调整率:±0.1%(10%线性变化);
l 过冲幅度:10%(输入电压阶跃和负载电流阶跃);
l 瞬态恢复时间:50ms(输入电压阶跃和负载电流阶跃);
l 抗震性:40G,0~800Hz;
l 转换效率:75﹪~88%;
l 静态功耗:最大 0.3W;
l 输入和输出之间的隔离电压:1000VDC;
l 开关频率:300KHZ±5%(-55℃~175℃);
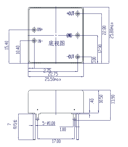
l 机械尺寸:L:25.5MM×W:25.8MM×H:10.5MM;
l 使用寿命:壳温150℃ 4000小时、壳温175℃ 2000小时,壳温185℃ 1000小时。
3. 工作原理
LMP3系列高温DC-DC模块采用高频变换工作模式,把直流电源逆变成高频电源。
通过隔离变压器实现输入与输出电气隔离,然后经过整流电路将高频电源转换成直流输出。
高频变换电路实现了转换效率高、体积小、重量轻的目的。
4. 引脚定义
LMP3系列模块引脚定义:表1
标识 | IN+ | IN- | +OUT | GND | -OUT |
单输出定义 | 输入正 | 输入负 | 输出正 | NC | 输出负 |
双输出定义 | 输入正 | 输入负 | 输出正 | 输出地 | 输出负 |
5. 选型指南

6. 外形尺寸图

7. 安装要求
模块外壳有4个辅助固定插针,做PCB封装时留出相对应焊盘增强模块抗震性能,如不适用可剪掉。
8. 注意事项
模块内部输入电源未加极性防反接保护二极管,切记不要把输入电源极性接反,否则会造成模块损坏。
地址:中国青岛市高新区名园路11号
电话1:15753258592
电话2:15753258592(微信同号)
邮箱:sales@qdzitn.com
传真:0532-58717257
